| Rodzaj pracy: | praca ciągła (C) |
| Poziom zakłóceń: | normalny (N) |
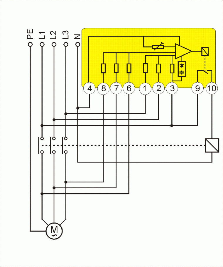
| Kontrola kolejności faz: | Nie |
| Kontrola styków stycznika: | Tak |
| Zasilanie z zacisków: | L1, N |
| Napięcie wyłączenia dolne: | regulowane 150 ÷ 190V |
| Czas wyłączenia/powrotu: | ok. 3 s |
| Histereza: | ok. 5V |
| Zestyk wyjściowy: | 1Z - zwierny |
| Napięcie znamionowe zestyku: | max. 400V AC |
| Obciążalność prądowa zestyku: | 8A |
| Stopień ochrony: | IP 20 |
| Przyłącz: | zaciski śrubowe (do 4mm2) |
| Masa urządzenia: | 130 g |
| Obudowa: | typ S3, 89x54x60 mm (3 moduły) |
| Sposób montażu: | na szynie TH35 |
| Znamionowe napięcie zasilania: | |
| W 303 s | 3N AC 400/230V |




