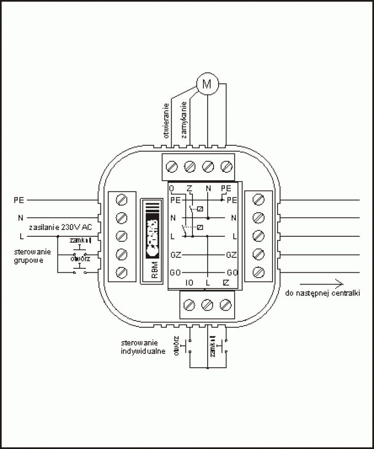
| Rodzaj pracy: | praca ciągła (C) |
| Poziom zakłóceń: | normalny (N) |
| Obciążalność wyjścia: | 8A |
| Stopień ochrony: | IP 20 |
| Przyłącz: | zaciski śrubowe |
| Obudowa: | typ T, 63x63x23 mm |
| Sposób montażu: | w puszce instalacyjnej ϕ80 mm |
| Znamionowe napięcie zasilania: | |
| RBM 01 | 230V AC, +10%, -15%, 50Hz |



