| Próg wyłączenia: | regulowany płynnie |
| Zakres regulacji: | 200 ÷ 2000W |
| Czas wyłączenia/powrotu: | ok. 2 s |
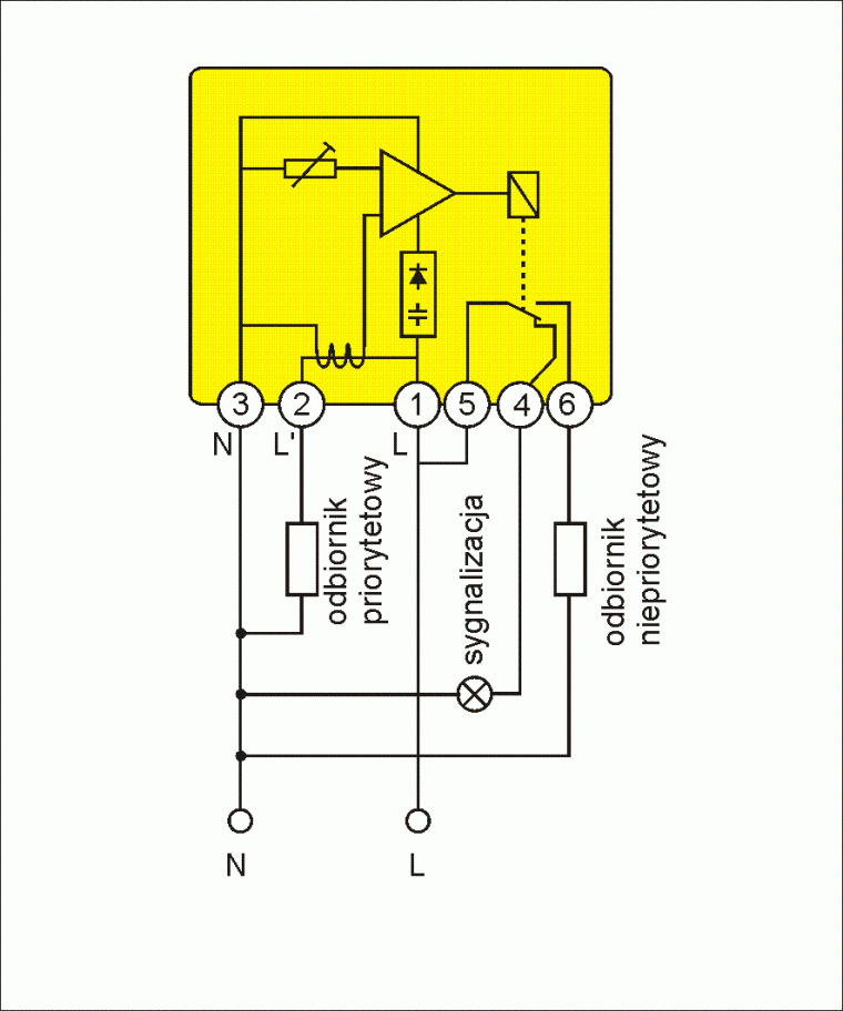
| Zestyk wyjściowy: | 1P - przełączny |
| Obciążalność prądowa zestyku (przy cosφ=1): | 16A |
| Napięcie znamionowe zestyku: | 250V AC |
| Stopień ochrony: | IP 20 |
| Obudowa: | typ NM 79x50x25 mm |
| Przyłącz: | zaciski śrubowe |
| Sposób montażu: | wkrętami do podłoża |
| Znamionowe napięcie pracy: | |
| PP 101nm | 230V AC, ± 10%, 50Hz |




